(391) 204-64-38
заказать обратный звонок
Главная / Запчасти /

Закрыть
Электромагнитный клапан  | Артикул: 19819А
Электромагнитный клапан  | Артикул: 19819А

Электромагнитный клапан

Электромагнитный клапан , 19819А
Электромагнитный клапан  | Артикул: 19819А
Артикул

19819А

ПроизводительWebasto
КоллекцияSP Thermo
Ссылки
Подходит для:Графический каталог:
Аксессуары для ThermoTopE/C/Z
Аксессуары для Thermo 50
Аксессуары для Thermo90/S/ST
Аксессуары для DBW2010/2016
КомментарийВНИМАНИЕ! Цена может отличаться!
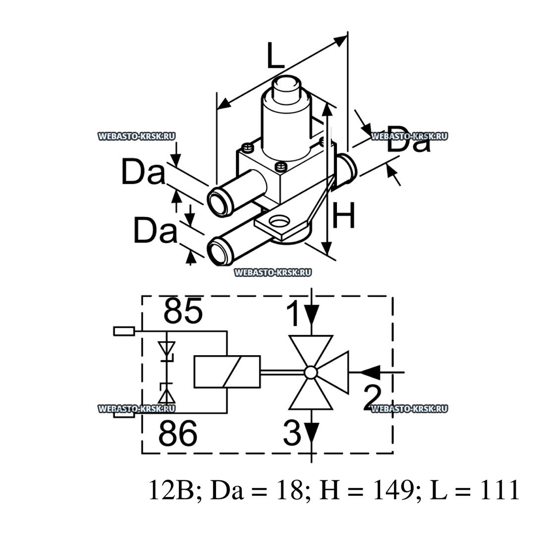
19819А 12В; Da = 18; H = 149; L = 111 Пластиковый корпус

РРЦ:
17910 руб.


Цена: 17910 руб.



Добавить в корзину

Электромагнитный клапан - предназначена для замены вышедшей из строя запчасти Webasto (Вебасто) с артикулом (19819А).

Оставаясь на сайте, я даю согласие на использование cookies и согласен с политикой конфиденциальности.